
Product Description
Current Differential Protection - GARD 8000® System
The Current Differential Protection Module in the GARD 8000® System is a proven current-only, high speed line protection system. The advantages with current-only schemes are well known:
- potentials not required
- unaffected by CCVT transients
- never overreach, never underreach
- is not affected by mutual coupling on parallel lines
- unaffected by power swings
Current Differential Protection was traditionally reserved for short line applications due to the limitation of the required pilot wire. However, with the advantage of new communications technology, digital communications become increasingly available for longer lines as well.
Current Differential Relaying is unquestionably the simplest form of line protection, requiring very few settings to be entered for the actual line. The GARD 8000® Current Differential Protection System provides high-speed fault clearing and high sensitivity without compromising security.
The GARD 8000® Current Differential Protection System can be used for two- or three-terminal lines as well as tapped load applications.
The GARD 8000® Current Differential Protection System is suitable for series compensated lines and is inherently phase selective, making it an excellent choice for single pole trip applications.
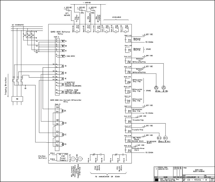
The GARD 8000® Current Differential Protection Module can be complemented with an independent full Line Distance Protection Module within the same GARD 8000® chassis for full redundant Pilot Protection or as channel failure back-up for the Current Differential Protection. The Distance Protection Module provides additional protection elements such as voltage elements, recloser and synch check.
The two protection modules can be applied in pilot schemes over the same communications channel, or use independent communications interfaces. Or each can be provided with an independent communications interface and use a third as a common redundant channel.
It has been shown that using independent protection modules within the same chassis with redundant power supplies and redundant communications interfaces provides a higher degree of redundancy than physically separate protection devices. A direct comparison based on component failure rates between conventional, redundant Main 1 and Main 2 pilot protection, with redundant pilot protection within one GARD 8000® chassis shows an increased MTBF (Mean Time Between Failure) of a factor of 10 in favor of the GARD 8000® hardware configuration.



